Skip to content

Telescopic Cylinder HATC 127/53 H 45

Holmatro Telescopic Rerailing Cylinders can reach long lifting distances while maintaining a compact closed height. Holmatro operates with a maximum working pressure of 550 bar, allowing us to design smaller, more compact, and lighter cylinders that maintain the same capacity. The cylinders are constructed entirely of black anodized aluminum, making them significantly lighter and easier (for a single person) to carry around. A key feature of this cylinder is the load-lowering valve, ensuring the vehicle/load can be lowered in a controlled manner without being affected by the weight of the load. Additionally, these telescopic cylinders are equipped with a hose rupture security mechanism, which ensures that the system halts immediately if a hose breaks, for any reason. Holmatro rerailing cylinders are available in various tonnages & strokes to accommodate different applications and needs.
Standard supplied with:
  • Flat face couplers: dust cap function incorporated.
  • Load lowering valve.
  • Optimally placed grips; easy to carry, by just 1 or 2 persons.
Holmatro Telescopic Rerailing Cylinders can reach long lifting distances while maintaining a compact closed height.

Holmatro operates with a maximum working pressure of 550 bar, allowing us to design smaller, more compact, and lighter cylinders that maintain the same capacity. The cylinders are constructed entirely of black anodized aluminum, maki...

Features & benefits

  • Fully made of lightweight aluminum.
  • Max working pressure of 550 bar.
Show all

About the Telescopic Cylinder HATC 127/53 H 45

Specifications

Choose unit system
Details
Article number
101.001.172
Basic specifications
model
HATC 127/53 H 45
max. working pressure
7977 psi
max. working pressure
550 / 55 (bar/Mpa)
Performance
closed height
420 mm
closed height
16.5 in
capacity 1st plunger
280562 lbf
capacity 2nd plunger
117575 lbf
stroke 1st plunger
222 mm
stroke 1st plunger
8.7 in
stroke 2nd plunger
228 mm
stroke 2nd plunger
9 in
capacity 1st plunger
1248 / 127.3 (kN/t)
capacity 2nd plunger
523 / 53.3 (kN/t)
effective pressure area 1st plunger
227 cm2
effective pressure area 2nd plunger
95 cm2
effective pressure area 1st plunger
35.2 sq. in.
effective pressure area 2nd plunger
14.7 sq. in.
max. side-load resistance
10 %
General specifications
required oil content (effective)
5744 cc
required oil content (effective)
194.2 oz
required oil content (press)
7206 cc
required oil content (press)
243.7 oz
required oil content (retract)
1461 cc
required oil content (retract)
49.4 oz
acting type
double
return type
hydraulic
material
aluminium
cylinder type
telescopic
Dimensions, weight and temperature
weight, ready for use
43.8 kg
weight, ready for use
96.6 lb
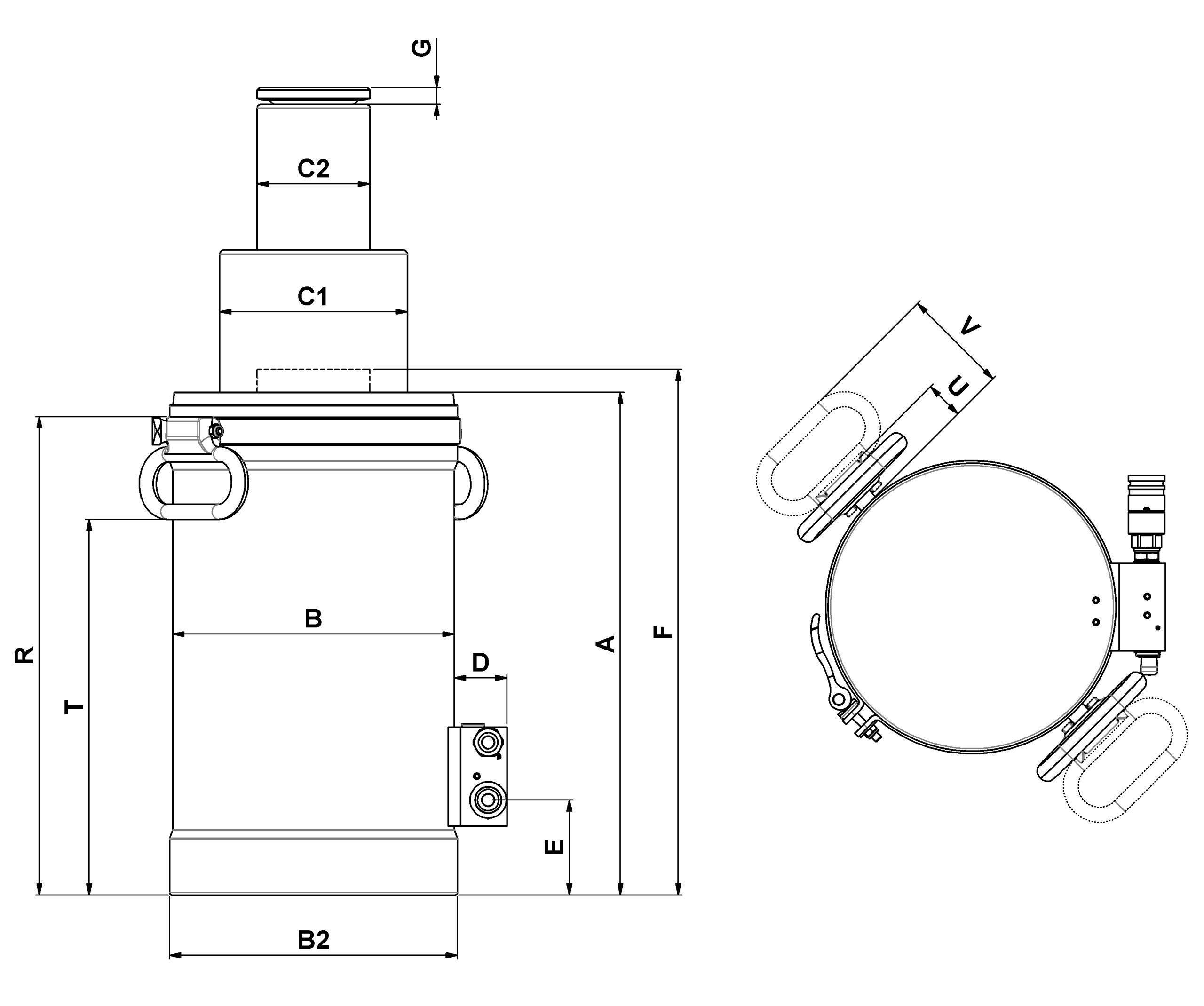
Technical drawing dimensions
dimension A
401.5 mm
dimension A
15.8 in
dimension B
225 mm
dimension B
8.9 in
dimension B2
230 mm
dimension B2
9.1 in
dimension C1
150 mm
dimension C1
5.9 in
dimension C2
90 mm
dimension C2
3.5 in
dimension D
42 mm
dimension D
1.7 in
dimension E
76 mm
dimension E
3 in
dimension F
420 mm
dimension F
16.5 in
dimension G
18.5 mm
dimension G
0.7 in
dimension R
382 mm
dimension R
15 in
dimension T
300 mm
dimension T
11.8 in
dimension U
31 mm
dimension U
1.2 in
dimension V
85 mm
dimension V
3.3 in

Technical Drawing

Technical Drawing Telescopic Cylinder HATC 127_53 H 45

Features

Features & benefits
  • Fully made of lightweight aluminum.
  • Max working pressure of 550 bar.
  • Equipped with ‘load lowering valve.’
  • Ensures a controlled lowering, regardless of the load.
  • Without this valve, the load could drop too quickly, creating unsafe situations.
  • Including ‘hose rupture safety’
  • Integrated in the lowering valves on each lifting cylinder; ensured safety, because of the load holding function, even in the event of a hose rupture.

Downloads

HATC 127/53 H 45, Spec sheet, A4 metric

HATC 127/53 H 45, Spec sheet, Letter imperial

Technical Drawing Telescopic Cylinder HATC 127_53 H 45

Make your experience complete with these accessories

Compare products
Select your region
Select your language