Zum Inhalt springen

Zugzylinder HPJ 60 S 15

Holmatro-Zugzylinder (Hebeböcke) (HPJ) sind spezielle hydraulische Geräte, die für effiziente Zugaufgaben entwickelt wurden. Mit einer Zugkraft von 11 bis 60 Tonnen und einer Hublänge von 150 mm bieten diese Zylinder die nötige Kraft und Ausladung, um schwere Gegenstände aufeinander zu ziehen oder präzise Nivellierarbeiten durchzuführen.
Standardmäßig enthalten:
  • Kupplungsdose mit hohem Durchfluss A118, mit Druckentlastungsventil A418
Holmatro-Zugzylinder (Hebeböcke) (HPJ) sind spezielle hydraulische Geräte, die für effiziente Zugaufgaben entwickelt wurden. Mit einer Zugkraft von 11 bis 60 Tonnen und einer Hublänge von 150 mm bieten diese Zylinder die nötige Kraft und Ausladung, um schwere Gegenstände aufeinander zu ziehen oder präzise Nivellierarbeiten durchzuführen.
Standardmäßig enthalten:
  • ...
Finde einen Partner

Über die Zugzylinder HPJ 60 S 15

Spezifikationen

Choose unit system
Details
Artikelnummer
100.131.021
Grundspezifikationen
Modell
HPJ 60 S 15 - 2 Verpflichted
max. Betriebsdruck
10443 psi
max. Betriebsdruck
720 / 72 (bar/Mpa)
Leistung
Tonnage
60 t
Tonnage
132277 lb
Hub
150 mm
Hub
5.9 in
Kapazität
610.4 kN / 62.2 t / 610.4 / 62.2 (kN/t)
Kapazität
137223 lbf
effective Druckfläche
84.8 cm2
effective Druckfläche
13.1 sq. in.
Allgemeine Daten
erforderliche Ölinhalt (effektiv)
1272 cc
erforderliche Ölinhalt (effektiv)
43 oz
Ausführung
einfach
Rücklauftyp
Feder
Material
Stahl
Zylindertyp
ziehen
Verbindung
A 118
Abmessungen, Gewicht und Temperatur
Gewicht, einsatzbereit
45 kg
Gewicht, einsatzbereit
99.2 lb
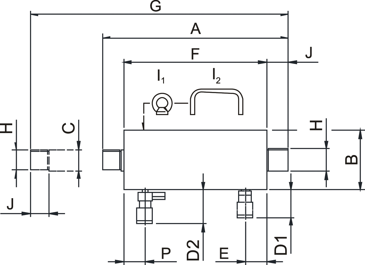
Technische Zeichnung Abmessungen
Abmessung A
530 mm
Abmessung A
20.9 in
Abmessung B
157 mm
Abmessung B
6.2 in
Abmessung C
60 mm
Abmessung C
2.4 in
Abmessung D2
85 mm
Abmessung D2
3.3 in
Abmessung F
400 mm
Abmessung F
15.7 in
Abmessung G
680 mm
Abmessung G
26.8 in
Abmessung H
M54x1.5 Gewindegr.
Abmessung J
60 mm
Abmessung J
2.4 in
Abmessung P
52 mm
Abmessung P
2 in

Technical Drawing

Technical Drawing Of Pulling Cylinder With Clevis Eyes

Merkmale

Geeignet zum Ziehen, Heben und Spannen in allen Positionen
Mit Schutz vor Überdruck; A418-Ventil

Downloads

Safety Guide – Hydraulic hoses & couplers

User Manual Cylinders

Safety Guide – Hydraulic cylinders

HPJ 60 S 15, Datenblatt, A4 metrisch

Hebelösungen – Industrielle Geräte

Technical Drawing Of Pulling Cylinder With Clevis Eyes

Produkte vergleichen
Wählen Sie Ihre Region aus
Wählen Sie Ihre Sprache